2 Dof Spring Mass System
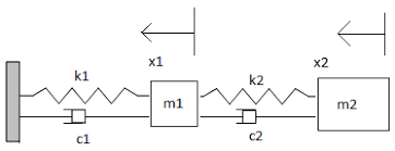
2 dof spring mass system. Applying the 1 Hz square wave from earlier allows the calculation of the predicted vibration of the mass. The mass spring and dashpot coefficients in the questions correspond to those in this figure. If the damping factor δ of a second-order transfer function is.
Step 1 particle under gravity 1D spring-mass system. 402-346-3363 Score your Deal Omaha Phone. Your browser will take you to a Web page URL associated with that DOI name.
Where m is the system mass b is the linear damping coefficient k is the spring coefficient ft is the force acting on the mass and x is the displacement of the mass. SWIFT Update February 2 2017 SWIFT Update February 20 2020 SWIFT Update February 21 2019 SWIFT Update February 22 2018 SWISWIFT Update February 25 2021 SWIFT Update February 27 2020 SWISWIFT Update February 4 2021 SWIFT Update February 8 2018 SWIFT Update February 2 2017 SWIFT Update January 05 2017. R 8314 JK mol is the universal gas constant and f is the number of thermodynamic quadratic degrees of freedom counting the number of ways in which energy can occur.
All shear deformation is assumed to occur within a shear spring. By the equipartition theorem internal energy per mole of gas equals c v T where T is temperature in kelvins and the specific heat at constant volume is c v fR2. Force plates are mechanical sensing systems designed to measure the ground reaction forces and moments involved in human movements.
Mass Effect Legendary Edition dropped in May and since then almost 400 mods saves and presets have already been shared with the community. This special case is chosen to show that the proposed methodology works for any system where the unobservable modes can. GENERAL INFORMATION Phone.
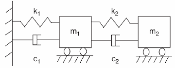
2-DOF Mass-Spring System A two degree-of-freedom system consisting of two identical masses connected by three identical springs has two natural modes each with a separate resonance frequency. The MS is modeled as a second-order linear dynamics referring to the mass-spring-damper system and the PEA can be regarded as a nonlinear part of the dynamics representing the hysteresis nonlinearity effect. Since the system is excited on an eigenfrequency a position measurement of mass m 2 will not deliver any useful data to track the acceleration of mass m 1 as this mass lies within a node of the second eigenmode of the system.
The first natural mode of oscillation occurs at a frequency of ωsm 12 which is the same frequency as the one mass one spring system shown at. A nonlinear system has more complicated equations of motion but these can always be arranged into the standard matrix form by assuming that the displacement of the system is small and linearizing.
Miles Equation is thus technically applicable only to a SDOF system.
While Bioware has not provided any official modding tools the community found a way. The mass spring and dashpot coefficients in the questions correspond to those in this figure. By the equipartition theorem internal energy per mole of gas equals c v T where T is temperature in kelvins and the specific heat at constant volume is c v fR2. The first natural mode of oscillation occurs at a frequency of ωsm 12 which is the same frequency as the one mass one spring system shown at. John Semmlow in Circuits Signals and Systems for Bioengineers Third Edition 2018. The values of the spring and mass give a natural frequency of 7 Hz for this specific system. The mass spring and dashpot coefficients in the questions correspond to those in this figure. - Single Degree Of Freedom System - Miles Equation is derived using a single degree of freedom SDOF system lightly damped consisting of a mass spring and damper that is excited by a constant-level white noise random vibration input from 0 Hz to infinity. YOU are free Transcribed image text.
Force plates are mechanical sensing systems designed to measure the ground reaction forces and moments involved in human movements. Spring mass system Spring mass system Linear spring Frictionless table m x k Lagrangian L T V L T V 1122 22 mx kx Lagranges Equation 0 ii dL L dt q q Do the derivatives i L mx q i dL mx dt q i L kx q Put it all together 0 ii dL L mx kx. Where m is the system mass b is the linear damping coefficient k is the spring coefficient ft is the force acting on the mass and x is the displacement of the mass. Force plates are mechanical sensing systems designed to measure the ground reaction forces and moments involved in human movements. Free vibration solution. Miles Equation is thus technically applicable only to a SDOF system. This implies that the length of the middle spring remains constant.
 
 										 				 
 										 				 
 										 				 
 										 				 
 										 				 
 										 				 
 										 				 
 										 				 
 										 				 
 										 				 
 										 				 
 										 				 
 										 				 
 										 				 
 										 				 
 										 				 
 										 				 
 										 				 
 										 				 
 										 				 
 										 				 
 										 				 
 										 				 
 										 				 
 										 				 
 										 				 
 										 				 
 										 				 
 										 				 
 										 				 
 										 				 
 										 				 
 										 				 
 										 				 
 										 				 
 										 				 
 										 				 
 										 				 
 										 				 
 										 				 
 										 				
Post a Comment for "2 Dof Spring Mass System"